Carolina Gynning
Under ytan av en passionerad och strukturerad entreprenör.
– Effektivisera allra först, uppmanar Robin Kauppinen, grundare och delägare av enber AB, specialiserad på inomhusklimat, energiberäkningar och energieffektivisering. Det är oftast det enklaste och billigaste du kan göra för att påverka energianvändningen i din fastighet. Det börjar med en utredning vars syfte är att optimera det befintliga systemet i så stor utsträckning som möjligt, innan mer komplicerade åtgärder eventuellt genomförs.
Ett exempel på ett vanligt förekommande fel i flerbostadshus är att värmesystemet inte är korrekt injusterat.
– Det finns fall där en lägenhet kan ha en inomhustemperatur på 27 grader och konstant öppna fönster, medan en granne har 17 grader och ytterkläder på inomhus. Det behöver då göras en värmeinjustering i lägenheternas radiatorer. Det handlar helt enkelt om att se till att det kommer rätt vätskeflöde till varje radiator i huset. Genom den typen av balansering får man ett bättre inomhusklimat samtidigt som man sparar energi.
Robin startade sin karriär med att studera Farkostteknik på KTH i Stockholm, med avsikt att jobba med marina system. Under de sista två årens masterutbildning valde han dock att specialisera sig inom Hållbar energianvändning i fastigheter. Han drivs av att förstå hur systemen funkar och hur de kan optimeras för att ge ett bra inomhusklimat till så låg energianvändning som möjligt
– Jag trivs som konsult då jag har möjligheten att ge den allra vassaste rådgivningen till kunden och att hela tiden ha kundens bästa framför ögonen.
Byggsektorn har ett stort ansvar att ta för att möta klimathotet, förklarar Robin. Våra fastigheter står för cirka 40 procent av energianvändningen och en betydande del av koldioxidutsläppen, och det finns därmed en stor besparingspotential.
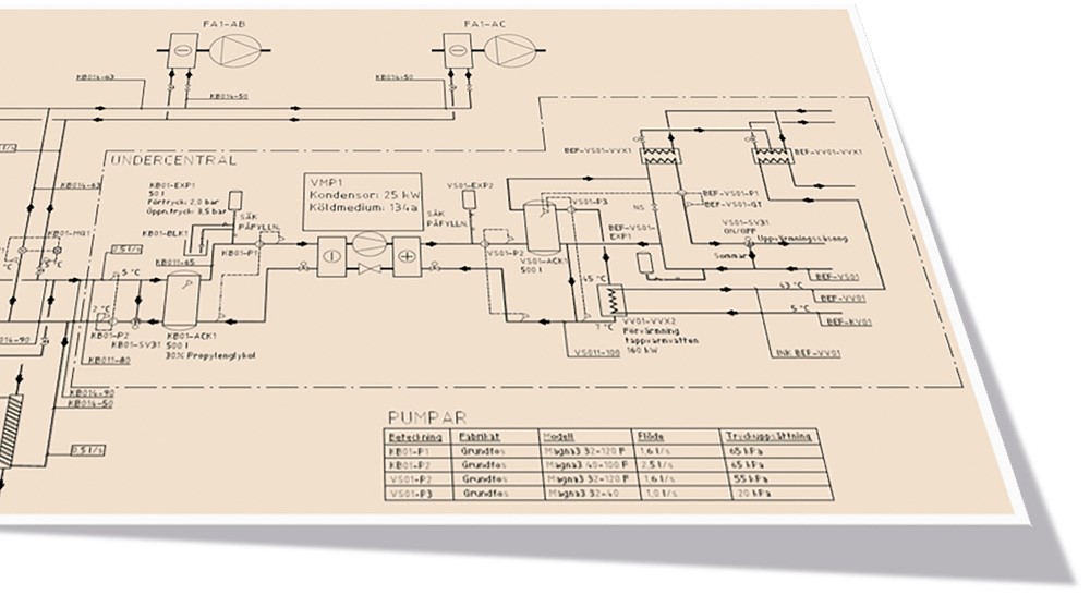
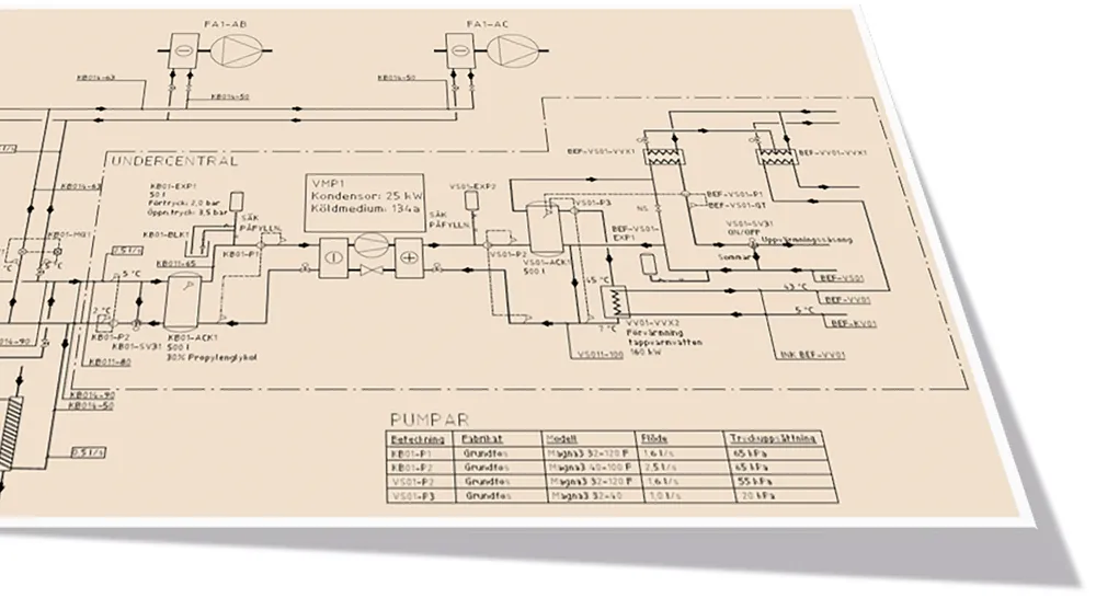
Trots att Sverige ligger långt fram vad gäller energieffektiva hus har vi ändå många äldre fastigheter med undermåliga system. Ett vanligt exempel är att det saknas värmeåtervinning i gamla ventilationssystem.
– I nyare system förvärms kall uteluft med hjälp av den varma inneluften (så kallad FTX-ventilation). På så vis minskas värmeförlusterna från ventilationen med cirka 80-90 procent, vilket i sin tur kraftigt minskar husets totala energibehov. I gamla hus med enbart mekanisk frånluft är en vanlig besparingsåtgärd i stället att återvinna värmen med hjälp av frånluftsvärmepumpar.
– Något som kommer att krävas i framtiden är att även värme från avloppsvattnet återvinns, vilket redan nu börjar bli allt vanligare.

Just nu medverkar Robin, via iNEX Management AB, i flera stora energibesparingsprojekt åt SBB Norden AB, ett av Sveriges största och snabbast växande fastighetsbolag. Målsättningen är att spara minst 30 procent energi i deras fastigheter.
– Våra beräkningar visar att vi bör kunna spara upp till 54 procent energi, och samtidigt minska koldioxidutsläppen med cirka 60 procent, genom att vi återvinner värme ur både ventilationen och avloppsvattnet.
Vilka åtgärder som är lämpliga för just din fastighet beror i stor utsträckning på hur tekniskt kunnig driftpersonal du har – mer avancerade system kan spara mycket energi men kräver samtidigt mer underhåll. Robin tipsar om en lämplig tågordning vad gäller energibesparingar:
Börja med att effektivisera de befintliga systemen i fastigheten. Förutom värmeinjustering kan det till exempel vara att rengöra kanaler, byta filter i luftbehandlingsaggregat, optimera driften för fläktar och pumpar eller byta ut uttjänta komponenter. Gamla glödlampor kan med fördel bytas till lågenergilampor, vilket sparar både energi och underhållskostnader. Tvätt- och torkmaskiner kan förnyas och blandare kan bytas till snålspolande varianter. Många sådana mindre åtgärder kan ge en betydande total besparing, samtidigt som systemen inte blir mer komplicerade.
Om du vill satsa på större besparingar bör du även se över möjligheterna att minska värmebehovet för din fastighet. Detta gör du exempelvis genom att tilläggsisolera väggar och tak, byta till energieffektiva fönster, samt återvinna värme ur ventilationen och avloppet. Ofta finns där mycket energi att spara!
I en del fall kan även byte av system för värmeproduktion vara ett lönsamt alternativ, men det gäller att räkna noggrant på den faktiska besparingen, speciellt om man byter från till exempel fjärrvärme till bergvärme.
Sista steget kan vara att byta till förnybar energi, såsom egenproducerad el och varmvatten från sol. Detta kan vara extra lönsamt om du använder värmepumpar! Du kan även se över dina avtal med energileverantören och välja ett miljövänligt alternativ.
Sponsrade artiklar
Artiklar publicerade på webbplatsen som inte är märkta redaktionellt är betalda samarbeten.